


常见的原理图:
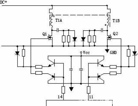
R4、C3、R5、R6、C4、D1、D2组成缓冲器,和开关电源MOS管并接,使开关电源管电压应力削减,EMI削减,不发生二次击穿。在开关电源电源管Q1关断时,变压器的原边线圈易发生尖峰电压和尖峰电流,这些元件组合一同,能很好地吸收尖峰电压和电流。从R3测得的电流峰值信号参加当前工作周波的占空比操控,因此是当前工作周波的电流约束。当R5上的电压到达1V时,UC3842停止工作,开关电源电源管Q1当即关断 。 R1和Q1中的结电容CGS、CGD一同组成RC网络,电容的充放电直接影响着开关电源管的开关电源电源速度。R1过小,易引起振动,电磁干扰也会很大;R1过大,会降低开关电源管的开关电源速度。Z1通常将MOS管的GS电压约束在18V以下,然后保护了MOS管。
Q1的栅极受控电压为锯形波,当其占空比越大时,Q1导通时间越长,变压器所贮存的能量也就越多;当Q1截止时,变压器通过D1、D2、R5、R4、C3开释能量,同时也到达了磁场复位的目的,为变压器的下一次存储、传递能量做好了预备。IC依据输出电压和电流时间调整着⑥脚锯形波占空比的大小,然后安稳了整机的输出电流和电压。 C4和R6为尖峰电压吸收回路。
2、 推挽式功率改换电路: Q1和Q2将轮番导通。


2、反激式整流电路:
3、反激式整流电路:
下一篇:开关电源闭环设计


