


1) 众所周知,当输出端逾越额定负载或短路时,会对开关电源构成损坏,致使电力系统无法正常作业。针关于此咱们在规划开关电源时要对产品停止限流维护规划。那么方法很多,咱们可以将他规划到开关电源的输入端或许规划到开关电源的输出端。要到达最佳的规划方法就要以实践的情况而定,以下几种方法都是开关电源常用的控制方法:
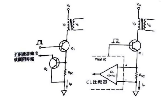
2) 初期参考直接驱动方式的开关电源可规划到输入端,如下图所示
图一
图中两种电路的作业原理是:
(a)图:在输出端有过载或短路情况发生时,此刻初级电流会很快的添加,Rsc上的就会发生电压,此电压逾越B-E的导通电压,那么Q2就会导通,就会把Q2集电极电位拉到地,假设接的是震动电路此刻就会导至震动电路中止作业,然后到达维护的意图。
Rsc的取值是:Rsc=Vbe/Ip
3) (b)图中的电路是一种常用的限流维护电路,在还击或许正激电路中遭到规划者的欢送。他的作业进程和(a)图的作业进程有些相似,可是他有些很好的长处,首要,比较器的电流约束激起临限电压可预制到一个精确的且可预制的准位上,这就相当于双极性三极管有较大Vbe电压范围的临限电压值,其次是此临限电压足够的小,根本上是100MV和200MV,因此电流约束电组就可较小,这样就可以进步效率。
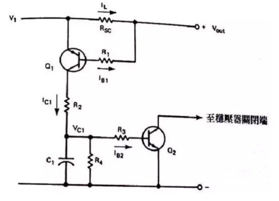
4) 应用在基极驱动器的电流约束电路
上图所画的电流约束电路图合适于各种电路的开关电源供应器。此种电路的输出部分是与控制电路共地的。
作业原理是:在正常的作业情况下,流入到Rsc上的Il不会发生很大的压降,那么就不会使Q1导通,若负载电流足够大就会在Rsc上发生电压,使Q1导通。若Q1在OFF装态时,而且Ic1=0时C1会全部放电掉,因此Q2也会处于OFF情况,假设Il电流逐步添加时,则Il*Rsc=VbeQ1+Ib1R1,此刻会合电极会有电流Ic1流过,并有下面的时间常数将C1充电T=R2*C1,那么C1上的电压是:Vc1=Ib2R3+VbeQ2,为了使为了使电容器电压的负载效应减到最低值,咱们可选用具有较高的HFE的达林凳管子来替代Q2,这样可以把基极电流约束在微安培,我门在挑选电阻R4时要远远大于R3。这样当电流过载时,C1电容会快速放电。
R2的取值如下:
IBL=(V1-VBEQ1)/R1
而且Ic1=HfeQ1IBLMAX
所以,R2>=(V1-VCEMAX)R1/(V1-VBEQ1)
在恰当的电路规划上,VCE可以快速的抵达其电压值,并将Q2三极管偏压到导通情况,这样一来就可以封闭稳压器的驱动信号。当过载除掉后,电路会主动康复到作业情况。假设运用具有固定电流约束比较器的ICPWM控制电路,则图一B的电路,咱们将电流约束电阻器RSC放到输出的正端上,就能获的良好的电流约束作用。
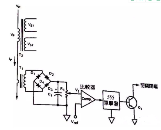
以上这两种方法在检测电流情况都作业良好。可是功率电阻器RSC的存在可能会变成不受欢送的,特别是在高电流输出下会构成功率的消耗,影响到整机的效率。真关于次会有另一种方法来克制这种问题。那便是用变压器来检测过电流。而且电路中无消耗功率的元器件,如图所示
作业原理是:T1用来检测负载电流IL,因此电阻R1会有成比例的电压发生。D3为整流二极管,R3C1整流后的滤波电路,若电流过载发生时,电容器C1上的电压会添加到稳压二极管Z1的导通电压,此刻三极管Q1会导通,因此Q1集电极上的信号可以封闭稳压器的驱动信号。
要留心的是:T1的规划,材料的挑选要用陶铁磁和MPP的环形铁芯,可是铁芯不能作业在饱和情况,圈数的规划:初级圈数一般选一圈,次级圈数的挑选右次级的电压所决议,NP/NS=IS/IP由于IR=VS/R1。
因此在最大指定负载电流IC情况下,次级圈数必需能在电容器C1上发生所希冀的电压值,所以NS=NP*IRR1/(Vs+Vd3)。
至此我门就可以绕制一个精确的变压器,而在实践的电路测试上必需在圈数上稍做调整,以便能做到最佳的性能。
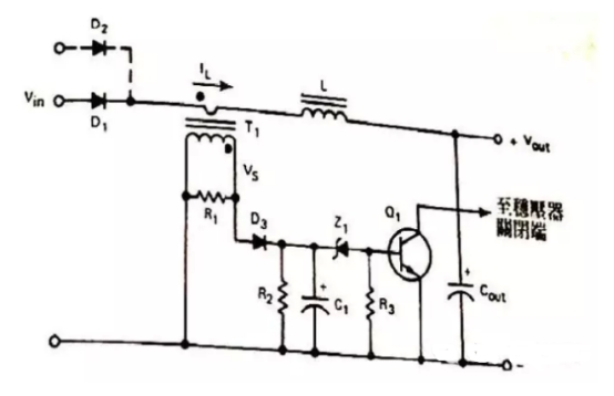
还有一种电流约束电路:如图所示
不论是放在电源的输入端或是输出端部分都能做到叫好的作用,相同的此电路也能合适于多路输出的电源供应器,可是有一点,关于多组输出要使的各个电流约束能到达其作用,要用一番功夫。
上图的作业原理是:
T1用来检测T2的初级电流,T1后经二极管整流后电容滤波,可变电阻R1用来设定比较器输入端的临限电压,在正长作业情况下,比较器的Vref参考输入端电压会高于电卫器R1上的电压,此刻比较器的输出会在高电平,此刻的555IC(单激多谐振荡器)会有低电平的输出,使Q1坚持在封闭情况。
假设过载发生时,电压V1会高于VREF,使的比较器在底电位,IC555输入端由高电位至底电位的转化进程,会在IC555输出端发生单激输出,而将Q1ON,C极连到封闭的输入端或是PWM电路的温文发动电容器上,所以会牵引到地电平。而停止了输出转化脉波,并将稳压器封闭,假设过栽情况继续着,电源会处于打嗝情况中,便是它会以IC555单激RC时间常数的周期在ON与OFF情况之间,不停的转化,直到过载去除后,电路才会康复康复到正常情况中,变压器规划同上一节。
上一篇:开关电源为什么会不起振
下一篇:低压高效的开关电源电路设计


