


开关电源现在现已广泛运用于工业自动化控制军工设备、科研设备、LED照明、工控设备、通讯设备、电力设备、仪器仪表、医疗设备、半导体制冷制热、空气净化器,电子冰箱,液晶显示器,LED灯具,通讯设备,视听产品,安防监控,LED灯带,电脑机箱,数码产品和仪器类等领域简直随处可见。
开关电源的首要电路是由输入电磁烦扰滤波器(EMI)、整流滤波电路、功率变换电路、PWM控制器电路、输出整流滤波电路组成。辅佐电路有输入过欠压保护电路、输出过欠压保护电路、输出过流保护电路、输出短路保护电路等组成的。
开关电源的电路组成方框图如下:
②输入滤波电路:C1、L1、C2、C3组成的双π型滤波网络首要是对输入电源的电磁噪声及杂波信号进行克制,防止对电源烦扰,同时也防止电源自身发生的高频杂波对电网烦扰。当电源敞开瞬间,要对C5充电,由于瞬间电流大,加RT1(热敏电阻)就能有用的防止浪涌电流。因瞬时能量全消耗在RT1电阻上,必定时间后温度升高后RT1阻值减小(RT1是负温系数元件),这时它消耗的能量十分小,后级电路可正常作业。
③整流滤波电路:沟通电压经BRG1整流后,经C5滤波后得到较为纯洁的直流电压。若C5容量变小,输出的沟通纹波将增大。
DC输入滤波电路原理:
②R1、R2、R3、Z1、C6、Q1、Z2、R4、R5、Q2、RT1、C7组成抗浪涌电路。在起机的瞬间,由于C6的存在Q2不导通,电流经RT1构成回路。当C6上的电压充至Z1的稳压值时Q2导通。假如C8漏电或后级电路短路现象,在起机的瞬间电流在RT1上发生的压降增大,Q1导通使Q2没有栅极电压不导通,RT1将会在很短的时间烧毁,以保护后级电路。
1、MOS管的作业原理:现在运用最广泛的绝缘栅场效应管是MOSFET(MOS管),是运用半导体外表的电声效应进行作业的。也称为外表场效应器材。由于它的栅极处于不导电情况,所以输入电阻可以大大提高,最高可达105欧姆,MOS管是运用栅源电压的巨细,来改动半导体外表感生电荷的多少,然后控制漏极电流的巨细。
常见的原理图:

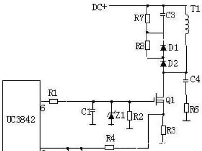
R4、C3、R5、R6、C4、D1、D2组成缓冲器,和开关电源MOS管并接,使开关电源管电压应力削减,EMI削减,不发生二次击穿。在开关电源管Q1关断时,变压器的原边线圈易发生尖峰电压和尖峰电流,这些元件组合一同,能很好地吸收尖峰电压和电流。从R3测得的电流峰值信号参加当前作业周波的占空比控制,因此是当前作业周波的电流束缚。当R5上的电压抵达1V时,UC3842停止作业,开关电源管Q1当即关断。R1和Q1中的结电容CGS、CGD一同组成RC网络,电容的充放电直接影响着开关电源管的开关电源速度。R1过小,易引起振荡,电磁烦扰也会很大;R1过大,会下降开关电源管的开关电源速度。Z1一般将MOS管的GS电压束缚在18V以下,然后保护了MOS管。
Q1的栅极受控电压为锯形波,当其占空比越大时,Q1导通时间越长,变压器所贮存的能量也就越多;当Q1截止时,变压器通过D1、D2、R5、R4、C3开释能量,同时也抵达了磁场复位的目的,为变压器的下一次存储、传递能量做好了预备。IC依据输出电压和电流时间调整着⑥脚锯形波占空比的巨细,然后安稳了整机的输出电流和电压。C4和R6为尖峰电压吸收回路。
2、 推挽式功率改换电路: Q1和Q2将轮流导通。
反激式整流电路:
反激式整流电路:
反应电路原理图:
1、在输出端短路的情况下,PWM控制电路可以把输出电流约束在一个安全范围内,它可以用多种方法来完成限流电路,当功率限流在短路时不起作用时,只有另增设一部分电路。
2、短路保护电路一般有两种,下图是小功率短路保护电路,其原理简述如下:
当输出电路短路,输出电压消失,光耦OT1不导通,UC3842①脚电压上升至5V左右,R1与R2的分压逾越TL431基准,使之导通,UC3842⑦脚VCC电位被拉低,IC停止作业。UC3842停止作业后①脚电位消失,TL431不导通UC3842⑦脚电位上升,UC3842重新启动,循环往复。当短路现象消失后,电路可以自动康复成正常作业情况。
下图是中功率短路保护电路,其原理简述如下:
下图是用电流互感器取样电流的保护电路
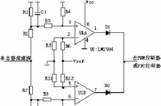
输出过压保护电路的作用是:当输出电压逾越规划值时,把输出电压限定在一安全值的范围内。当开关电源内部稳压环路出现毛病或者由于用户操作不妥引起输出过压现象时,过压保护电路进行保护以防止损坏后级用电设备。
运用最为遍及的过压保护电路有如下几种:
可控硅触发保护电路:
光电耦合保护电路:
输出限压保护电路:输出限压保护电路如下图,当输出电压升高,稳压管导通光耦导通,Q1基极有驱动电压而道通,UC3842③电压升高,输出下降,稳压管不导通,UC3842③电压下降,输出电压升高。循环往复,输出电压将安稳在一范围内(取决于稳压管的稳压值)。
输入电压经L1、L2、L3等组成的EMI滤波器,BRG1整流一路送PFC电感,另一路经R1、R2分压后送入PFC控制器作为输入电压的取样,用以调整控制信号的占空比,即改动Q1的导通和关断时间,安稳PFC输出电压。L4是PFC电感,它在Q1导通时贮存能量,在Q1关断时施放能量。D1是启动二极管。D2是PFC整流二极管,C6、C7滤波。PFC电压一路送后级电路,另一路经R3、R4分压后送入PFC控制器作为PFC输出电压的取样,用以调整控制信号的占空比,安稳PFC输出电压。
原理图:
AC输入和DC输入的开关电源的输入过欠压保护原理大致相同。保护电路的取样电压均来自输入滤波后的电压。取样电压分为两路,一路经R1、R2、R3、R4分压后输入比较器3脚,如取样电压高于2脚基准电压,比较器1脚输出高电平去控制主控制器使其关断,电源无输出。另一路经R7、R8、R9、R10分压后输入比较器6脚,如取样电压低于5脚基准电压,比较器7脚输出高电平去控制主控制器使其关断,电源无输出。
上一篇:如何运用开关电源?
下一篇:开关电源的闭环设计与概念


