


1) 众所周知,当输出端超越额定负载或短路时,会对开关电源形成损坏,以致电力系统无法正常工作。针关于此我们在设计开关电源时要对产品停止限流维护设计。那么办法很多,我们能够将他设计到开关电源的输入端或者设计到开关电源的输出端。要到达最佳的设计办法就要以实践的状况而定,以下几种办法都是开关电源常用的控制办法:
2) 初期参考直接驱动方式的开关电源可设计到输入端,如下图所示
图一
图中两种电路的工作原理是:
(a)图:在输出端有过载或短路状况发作时,此时初级电流会很快的增加,Rsc上的就会产生电压,此电压超越B-E的导通电压,那么Q2就会导通,就会把Q2集电极电位拉到地,假如接的是震荡电路此时就会导至震荡电路中止工作,从而到达维护的目的。
Rsc的取值是:Rsc=Vbe/Ip
3) (b)图中的电路是一种常用的限流维护电路,在还击或者正激电路中遭到设计者的欢送。他的工作过程和(a)图的工作过程有些相似,但是他有些很好的优点,首先,比拟器的电流限制激起临限电压可预制到一个准确的且可预制的准位上,这就相当于双极性三极管有较大Vbe电压范围的临限电压值,其次是此临限电压足够的小,根本上是100MV和200MV,因而电流限制电组就可较小,这样就能够进步效率。
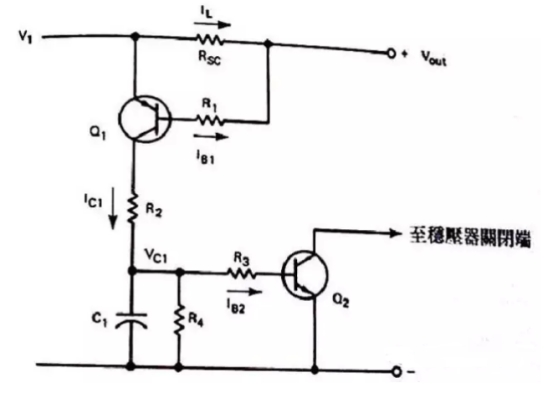
4) 应用在基极驱动器的电流限制电路
上图所画的电流限制电路图合适于各种电路的开关电源供给器。此种电路的输出局部是与控制电路共地的。
工作原理是:在正常的工作状况下,流入到Rsc上的Il不会产生很大的压降,那么就不会使Q1导通,若负载电流足够大就会在Rsc上产生电压,使Q1导通。若Q1在OFF装态时,而且Ic1=0时C1会全部放电掉,因而Q2也会处于OFF状态,假如Il电流逐步增加时,则Il*Rsc=VbeQ1+Ib1R1,此时会集电极会有电流Ic1流过,并有下面的时间常数将C1充电T=R2*C1,那么C1上的电压是:Vc1=Ib2R3+VbeQ2,为了使为了使电容器电压的负载效应减到最低值,我们可选用具有较高的HFE的达林凳管子来替代Q2,这样能够把基极电流限制在微安培,我门在选择电阻R4时要远远大于R3。这样当电流过载时,C1电容会快速放电。
R2的取值如下:
IBL=(V1-VBEQ1)/R1
而且Ic1=HfeQ1IBLMAX
所以,R2>=(V1-VCEMAX)R1/(V1-VBEQ1)
在恰当的电路设计上,VCE可以快速的抵达其电压值,并将Q2三极管偏压到导通状态,这样一来就能够关闭稳压器的驱动信号。当过载除去后,电路会自动恢复到工作状态。假如运用具有固定电流限制比拟器的ICPWM控制电路,则图一B的电路,我们将电流限制电阻器RSC放到输出的正端上,就能获的良好的电流限制效果。
以上这两种办法在检测电流状况都工作良好。但是功率电阻器RSC的存在可能会变成不受欢送的,特别是在高电流输出下会形成功率的耗费,影响到整机的效率。真关于次会有另一种办法来克制这种问题。那就是用变压器来检测过电流。并且电路中无耗费功率的元器件,如图所示
工作原理是:T1用来检测负载电流IL,因而电阻R1会有成比例的电压产生。D3为整流二极管,R3C1整流后的滤波电路,若电流过载发作时,电容器C1上的电压会增加到稳压二极管Z1的导通电压,此时三极管Q1会导通,因而Q1集电极上的信号能够关闭稳压器的驱动信号。
要留意的是:T1的设计,资料的选择要用陶铁磁和MPP的环形铁芯,但是铁芯不能工作在饱和状态,圈数的设计:初级圈数普通选一圈,次级圈数的选择右次级的电压所决议,NP/NS=IS/IP由于IR=VS/R1。
因而在最大指定负载电流IC状况下,次级圈数必需能在电容器C1上产生所希冀的电压值,所以NS=NP*IRR1/(Vs+Vd3)。
至此我门就能够绕制一个准确的变压器,而在实践的电路测试上必需在圈数上稍做调整,以便能做到最佳的性能。
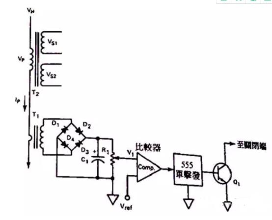
还有一种电流限制电路:如图所示
不论是放在电源的输入端或是输出端局部都能做到叫好的效果,同样的此电路也能合适于多路输出的电源供给器,但是有一点,关于多组输出要使的各个电流限制能到达其作用,要用一番功夫。
上图的工作原理是:
T1用来检测T2的初级电流,T1后经二极管整流后电容滤波,可变电阻R1用来设定比拟器输入端的临限电压,在正长工作状况下,比拟器的Vref参考输入端电压会高于电卫器R1上的电压,此时比拟器的输出会在高电平,此时的555IC(单激多谐振荡器)会有低电平的输出,使Q1坚持在关闭状态。
假如过载发作时,电压V1会高于VREF,使的比拟器在底电位,IC555输入端由高电位至底电位的转换过程,会在IC555输出端产生单激输出,而将Q1ON,C极连到关闭的输入端或是PWM电路的温和启动电容器上,所以会牵引到地电平。而终止了输出转换脉波,并将稳压器关闭,假如过栽状况持续着,电源会处于打嗝状态中,就是它会以IC555单激RC时间常数的周期在ON与OFF状态之间,不停的转换,直到过载去除后,电路才会恢复恢复到正常状态中,变压器设计同上一节。
上一篇:开关电源的元件作用及设备名词解析
下一篇:低压高效的开关电源设计


