


开关电源[9]的工作模式可以分为两种:连续模式(CCM)和不连续模式(DCM)。
T1—矩形脉冲宽度。从式中可以看出:当保持Um和T不变的时候,我们只要能够使脉冲宽度随输出电压的增大而变窄就可以减小U0从而保持输出电压的稳定。2.2开关电源的工作模式开关电源[9]的工作模式可以分为两种:连续模式(CCM)和不连续模式(DCM)。它们的变压器初级电流波形如图2-2、2-3所示:
由图可知,在连续模式下,初级电流是从一定幅度开始增大的,上升到峰值再迅速降到零。这表明,在连续模式下,储存在高频变压器中的能量在每个开关周期内并未全部释放掉,所以下一开关周期具有一个初始能量。采用连续模式可减小初级峰值电流Ip和有效值电流IRMS,降低芯片的功耗,相对效率会高。但连续模式要求增大初级电感量Lp,这会导致高频变压器的体积增大。综上所述,连续模式适用于大输出功率和大尺寸高频变压器的设计当中。非连续模式的开关电流则是从零开始上升到峰值,再降至零的。这意味着储存在高频变压器中的能量必须在每个开关周期内完全释放掉。非连续模式一般适用于小输出功率较和小尺寸高频变压器的设计当中。在设计时,应综合考虑两种模式的优缺点,当输出功率比较高的时候工作在CCM模式,当输出功率比较低或待机情况下工作在DCM模式。本设计的开关电源工作在DCM模式下。
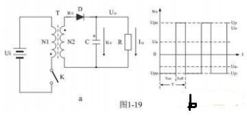
反激开关电源的输入端峰值电流I=VS*Ton/L,(VS:输入电压,Ton:开关开通时间,L:原边电感)反激式变压器开关电源,是指当变压器的初级线圈正好被直流脉冲电压激励时,变压器的次级线圈没有向负载提供功率输出,而仅在变压器初级线圈的激励电压被关断后才向负载提供功率输出,这种变压器开关电源称为反激式开关电源。
图1-19-a是反激式变压器开关电源的简单工作原理图,图1-19-a中,Ui是开关电源的输入电压,T是开关变压器,K是控制开关,C是储能滤波电容,R是负载电阻。
上一篇:开关电源常用的软启动电路有几种
下一篇:开关电源的各类拓扑电路结构


